典型產品結構形式:
![]() | ![]() | ![]() |
| FV型輸送鏈 | FVC型輸送鏈 | FVT型輸送鏈 |
![]() | ![]() | ![]() |
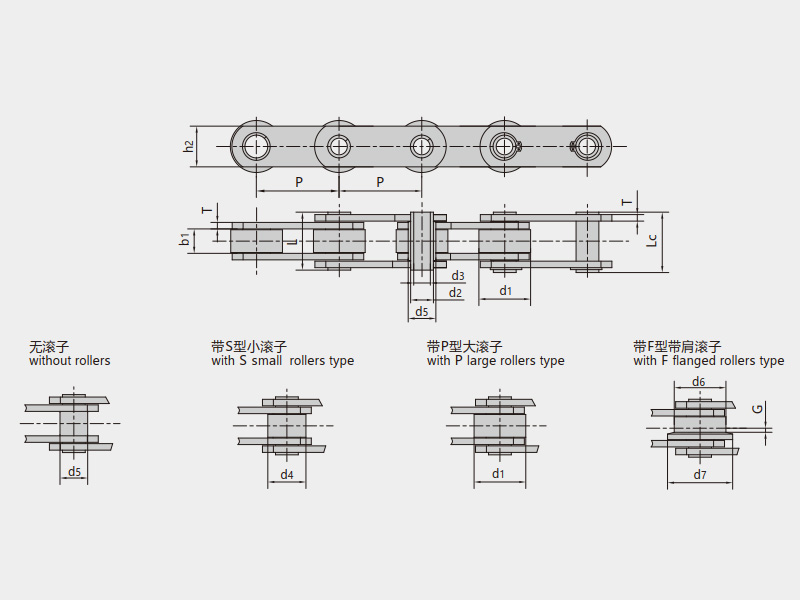
| 帶S型小滾子 | 帶P型大滾子 | 帶F型帶肩滾子 |
● FV系列輸送鏈符合DIN標準,主要有FV型輸送鏈、FVT型輸送鏈、FVC型空心銷軸輸送鏈;
● FV系列輸送鏈是指鏈條節距為公制整數(節距范圍40mm~500mm的多種節距)的滾子鏈或套筒鏈,滾子有多種結構形式,根據使用工況配置各種附件。
● FV型為實心銷軸輸送鏈、FVC型為空心銷軸輸送鏈、FVT型為大滾子加高鏈板輸送鏈,FV型和FVT型鏈條有兩類抗拉強度指標的產品可供用戶選擇。
● 產品廣泛應用于歐洲市場,為一般輸送、機械化傳送設備輸送物料。
典型產品結構形式:
![]() | ![]() | ![]() |
| FV型輸送鏈 | FVC型輸送鏈 | FVT型輸送鏈 |
![]() | ![]() | ![]() |
| 帶S型小滾子 | 帶P型大滾子 | 帶F型帶肩滾子 |